返回首页

Studycadcam-3D   71-80

71

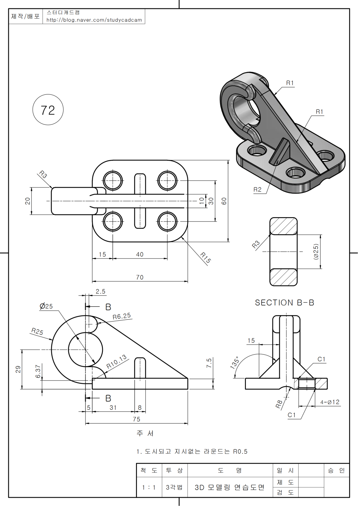
72

73

74

75

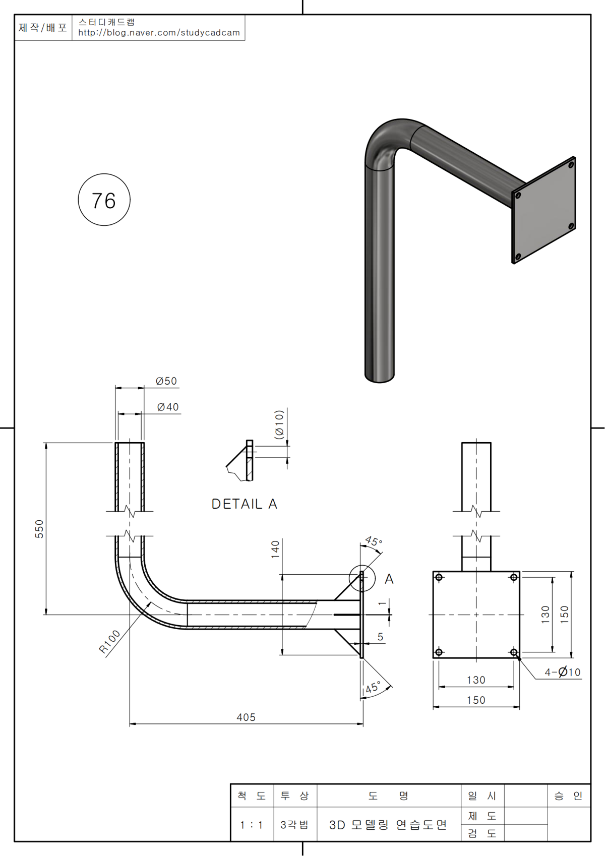
76

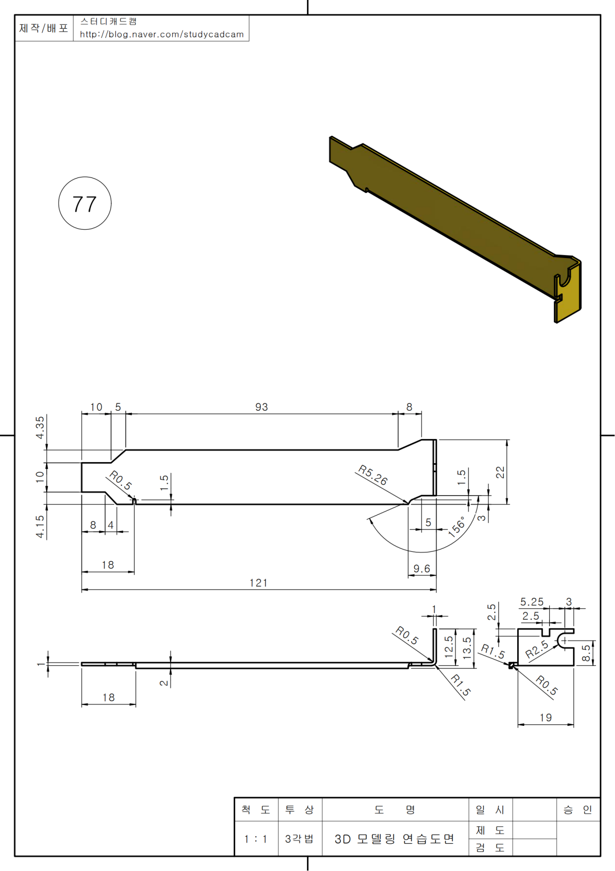
77

78

79

80