返回首页

Studycadcam-3D   61-70

61

62

63

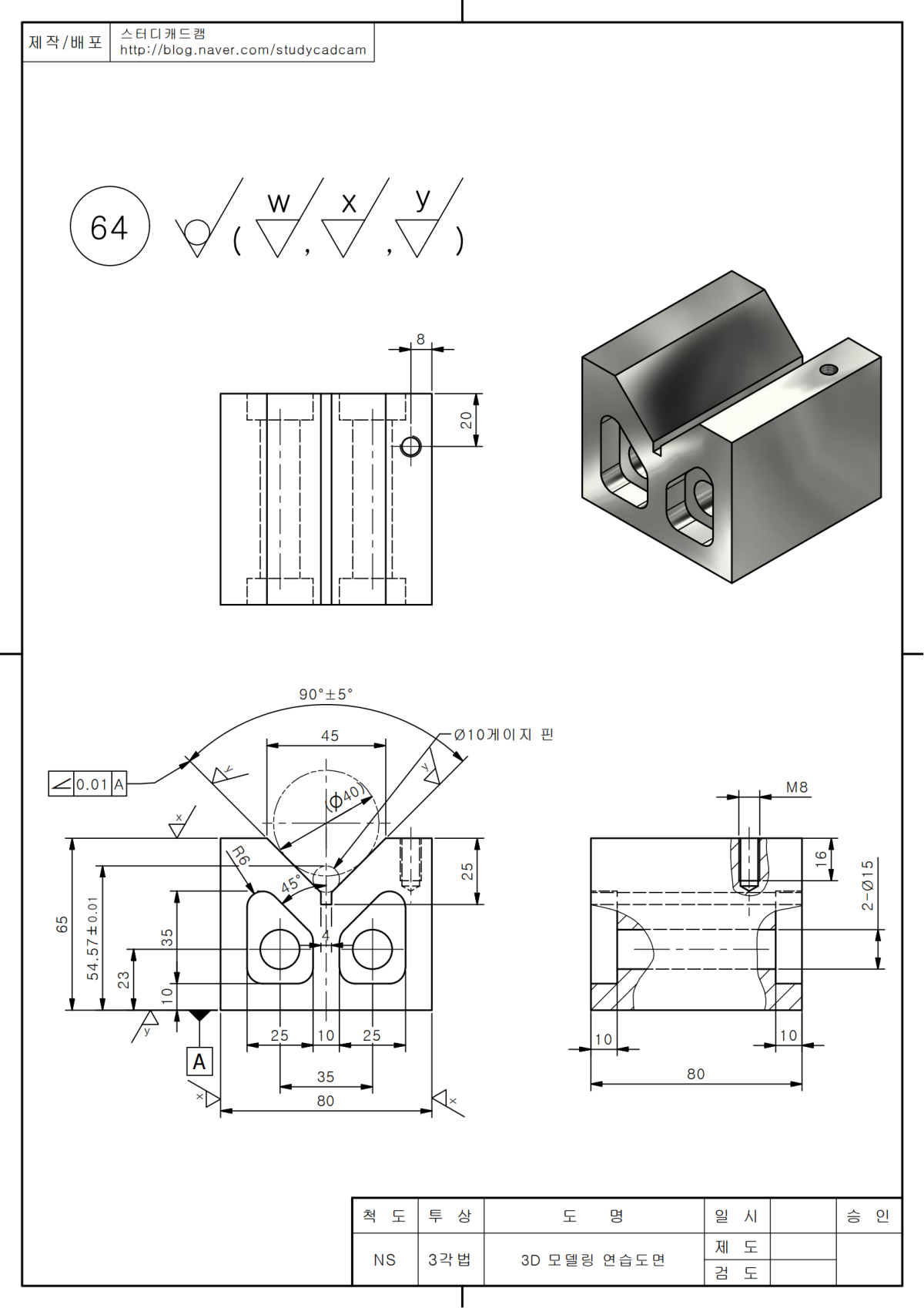
64

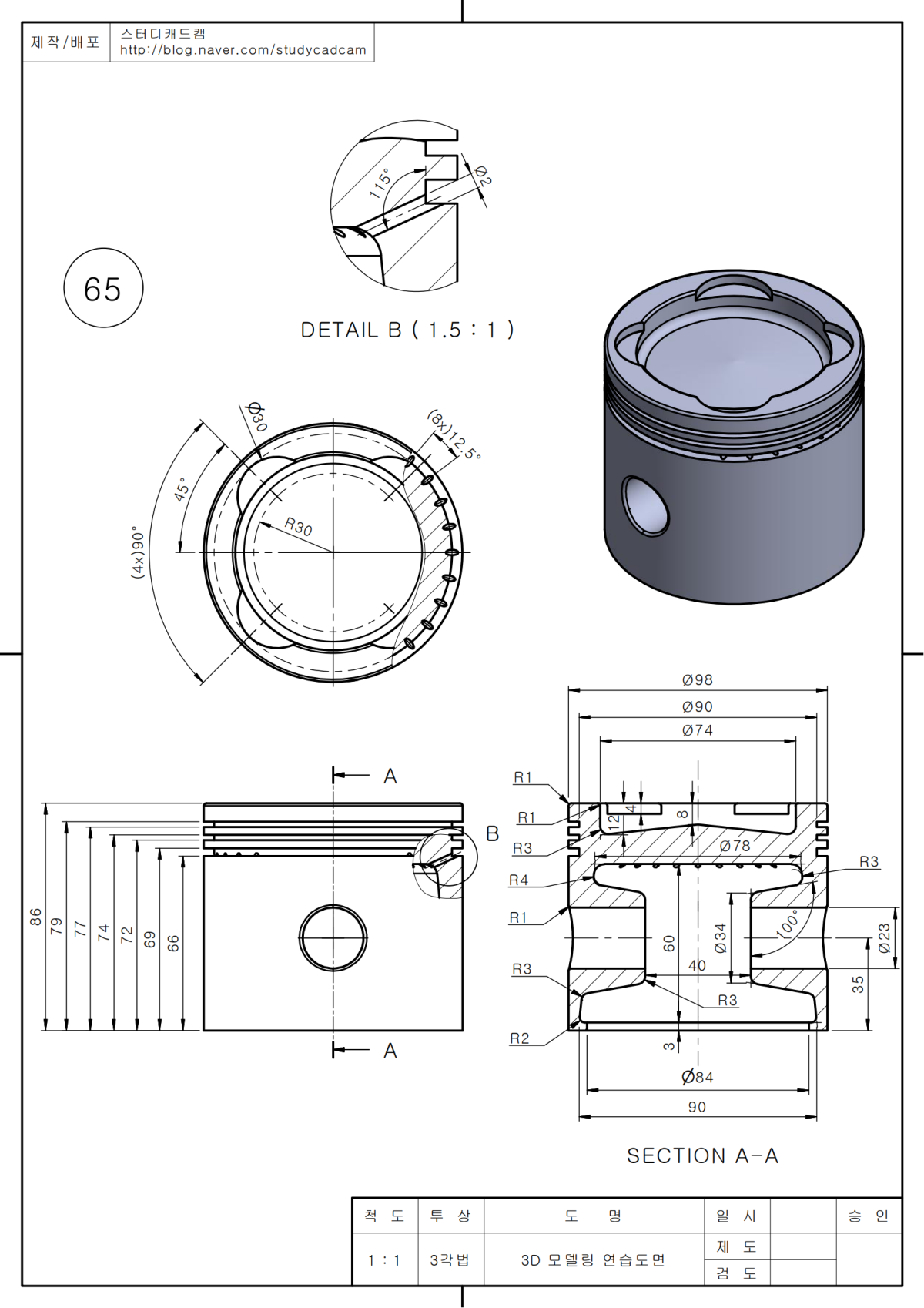
65

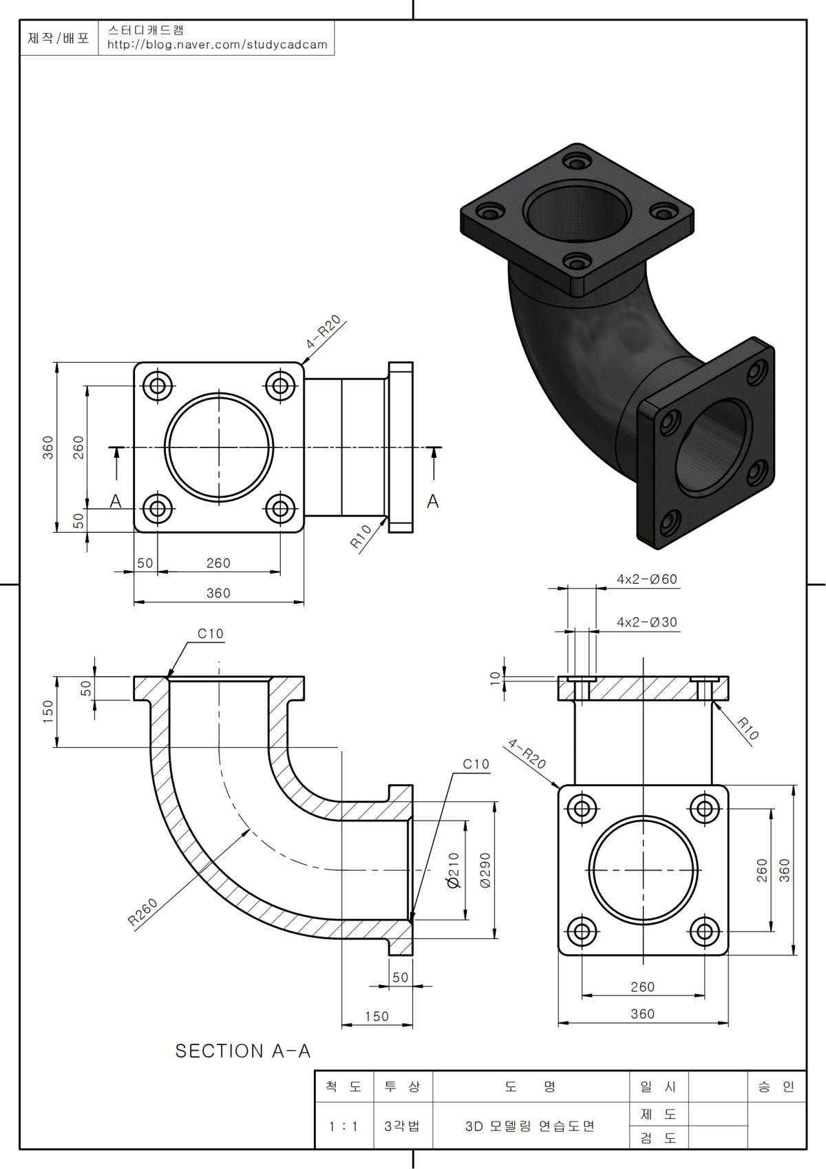
66

67

68

69

70