返回首页

Studycadcam-3D   31-40

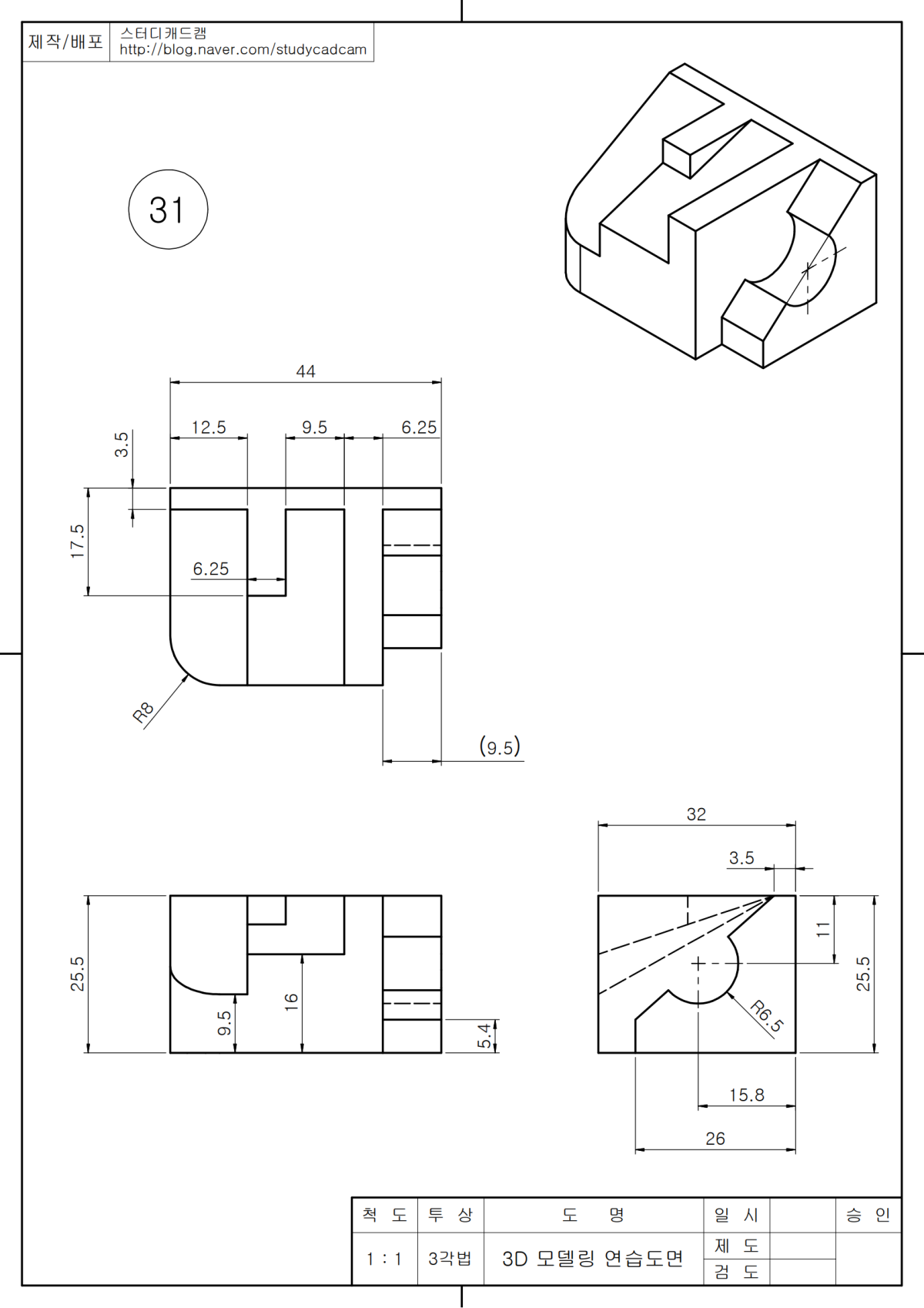
31

32

33

34

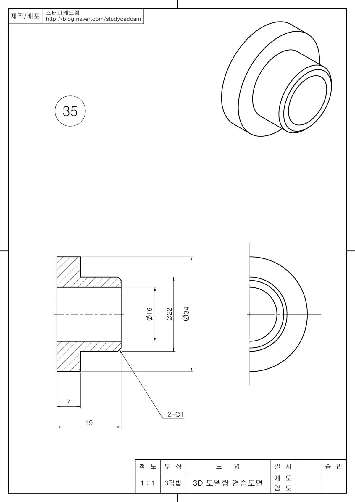
35

36

37

38

39

40