返回首页

Studycadcam-3D   291-300

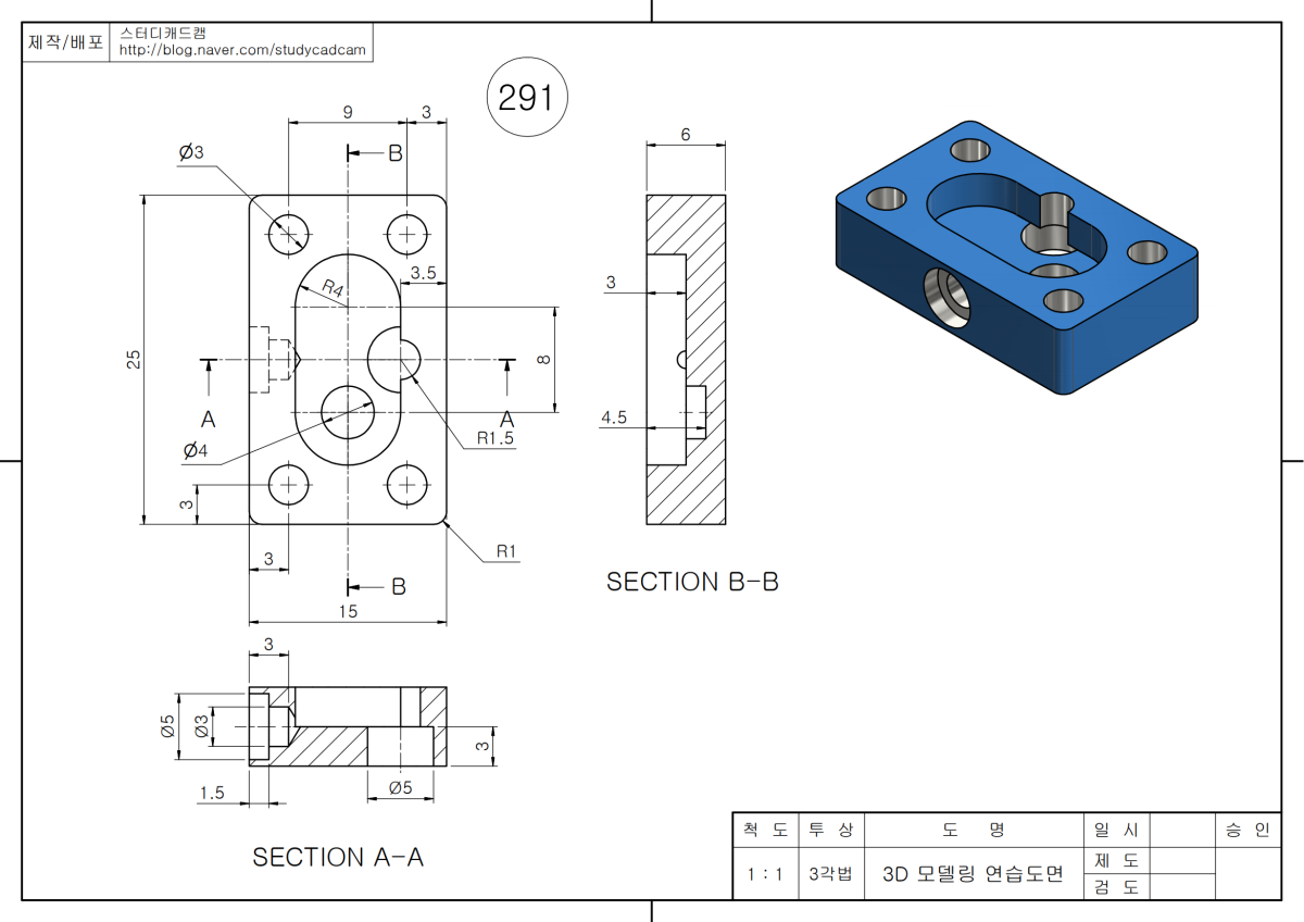
291

292

293

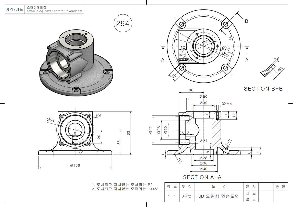
294

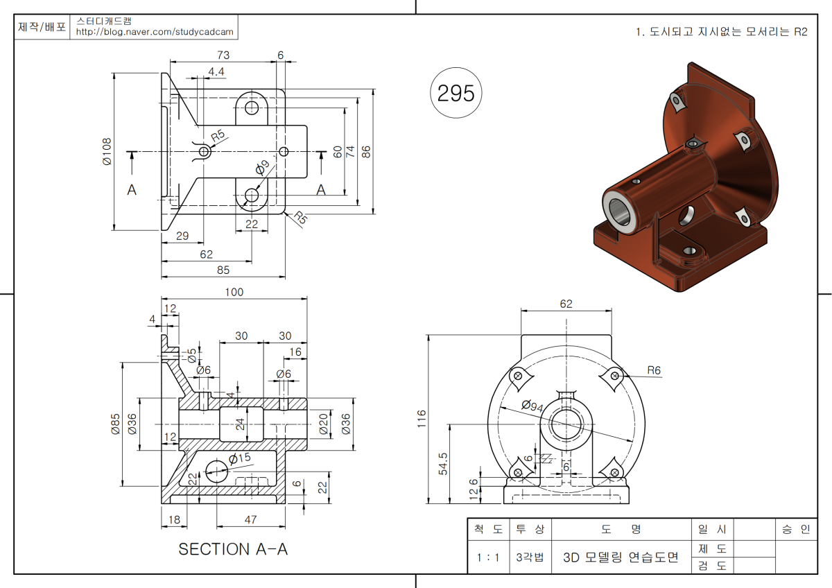
295

296

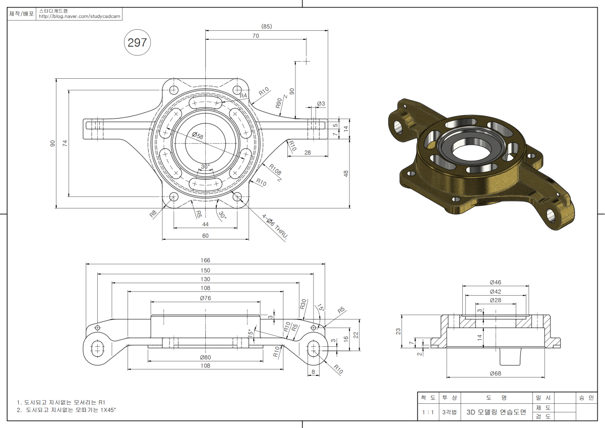
297

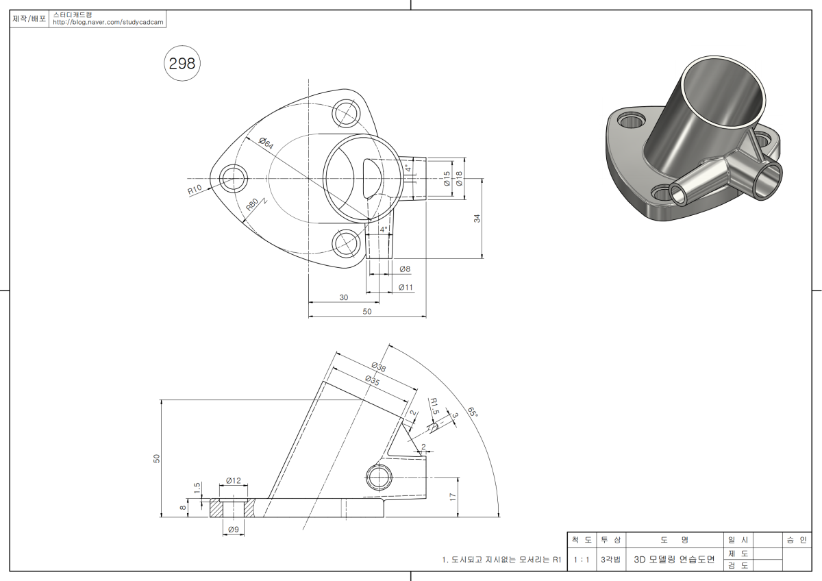
298

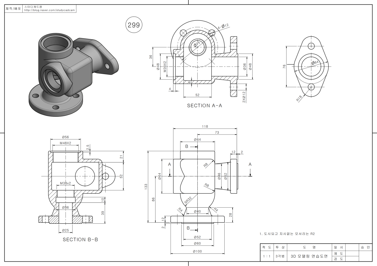
299

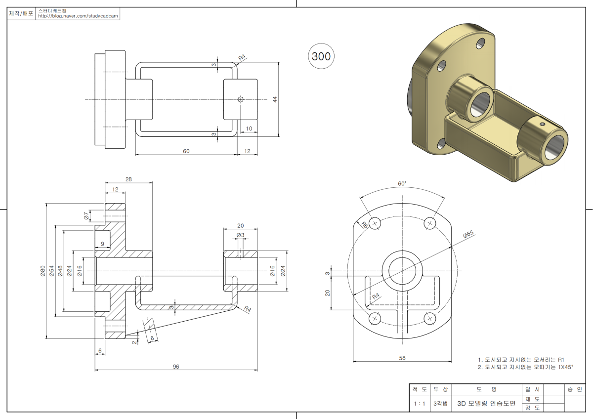
300