返回首页

Studycadcam-3D   261-270

261

262

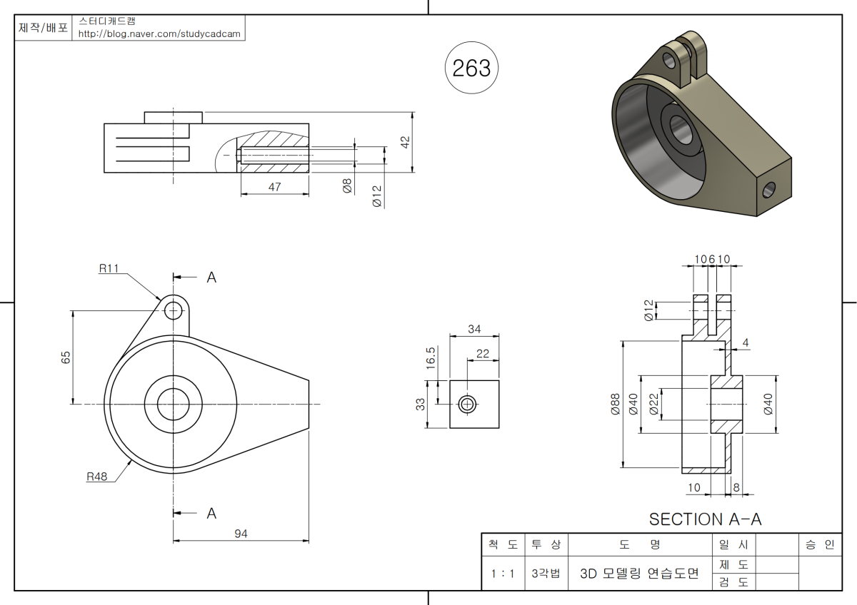
263

264

265

266

267

268

269

270