返回首页

Studycadcam-3D   181-190

181

182

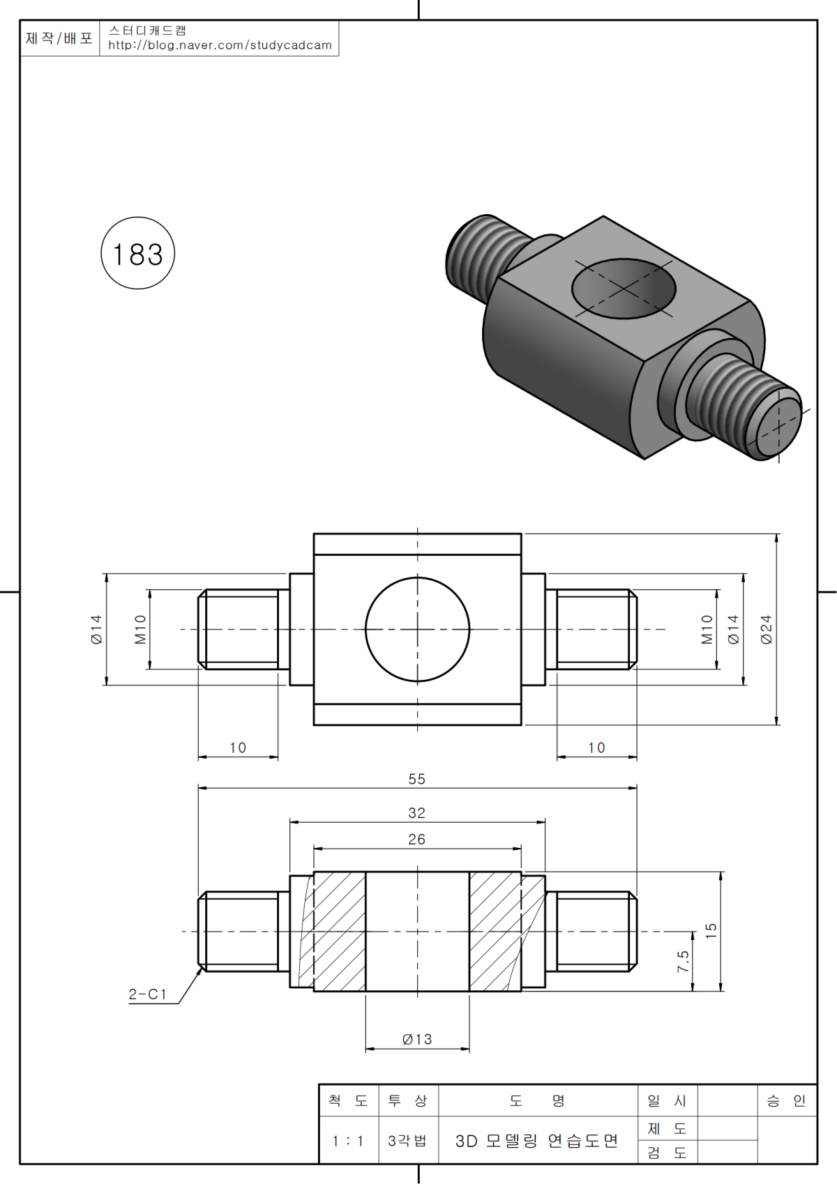
183

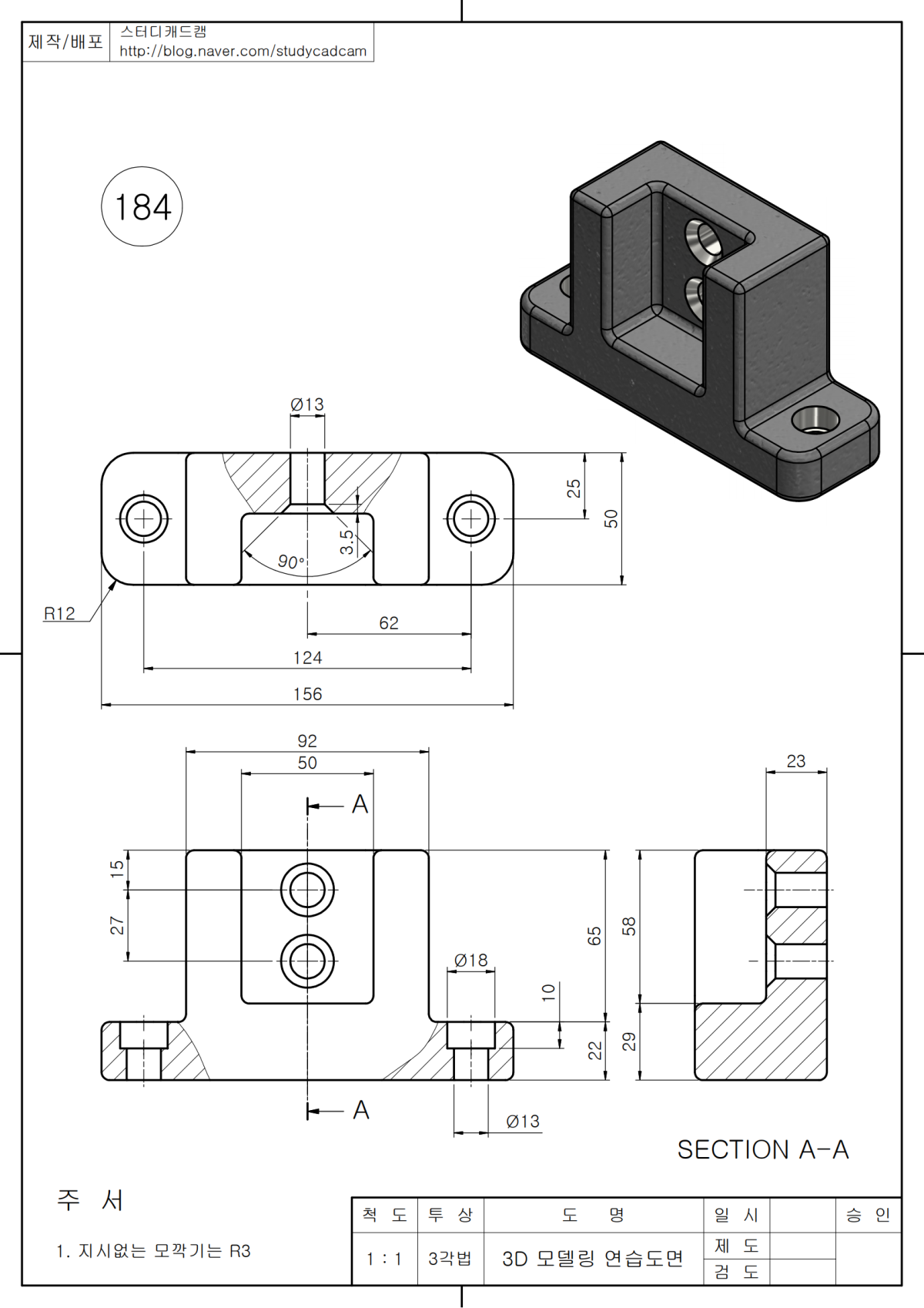
184

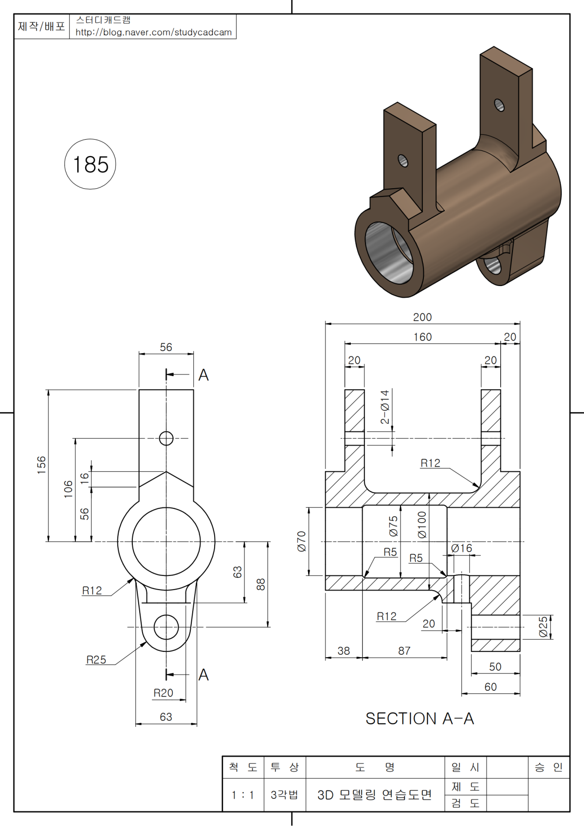
185

186

187

188

189

190