返回首页

Studycadcam-3D   121-130

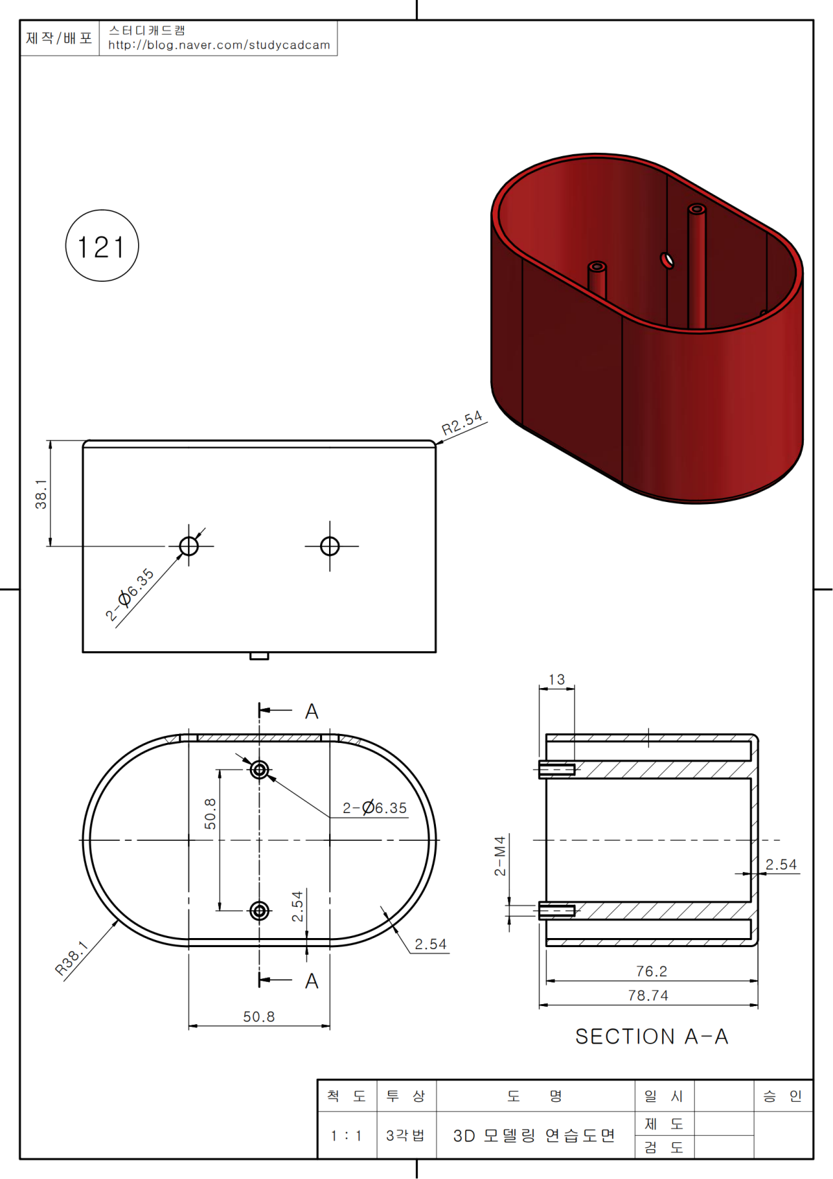
121

122

123

124

125

126

127

128

129

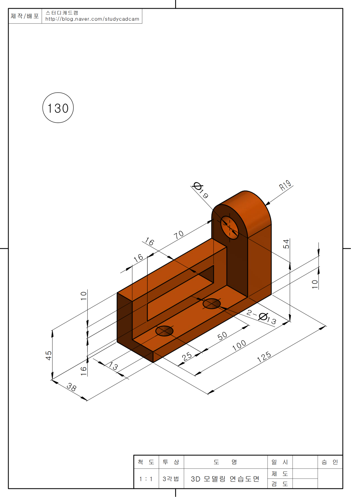
130