返回首页

Studycadcam-2D   41-50

41

42

43

44

45

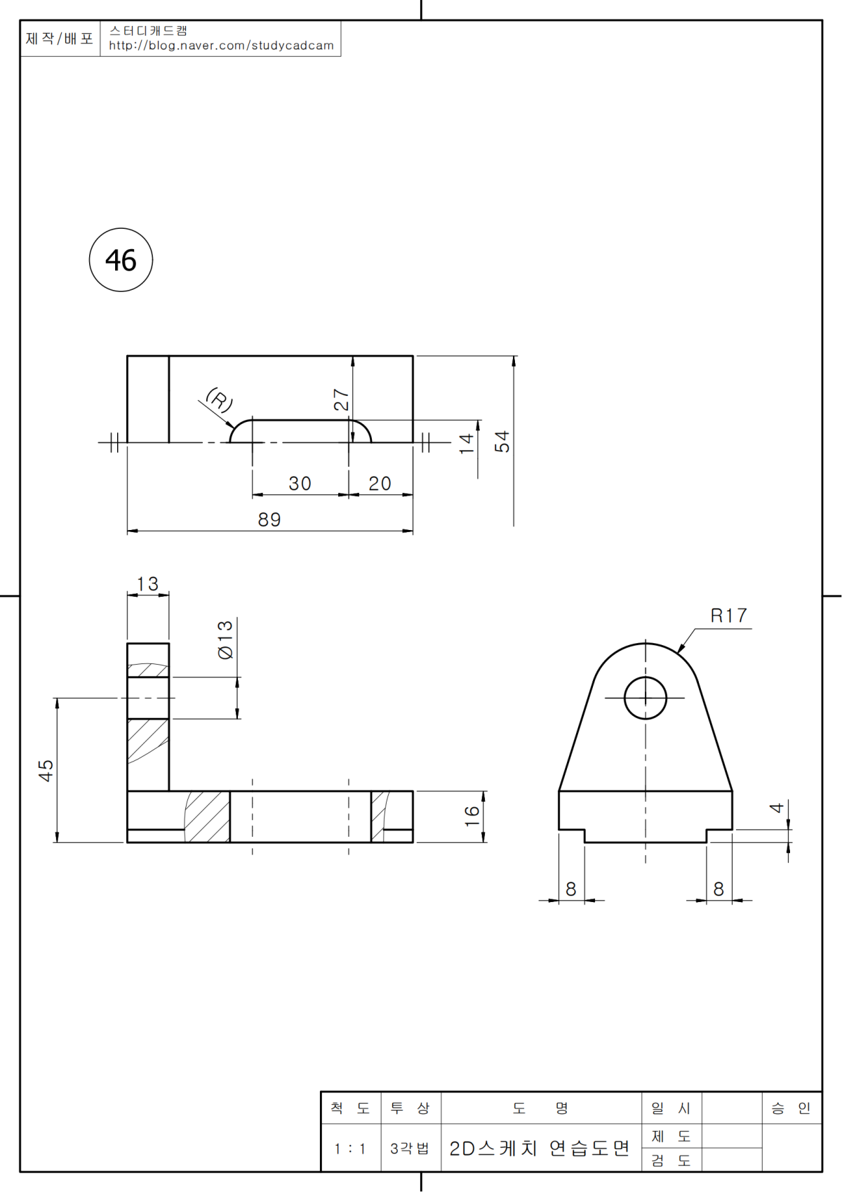
46

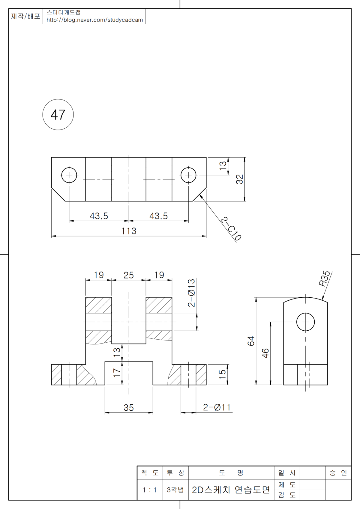
47

48

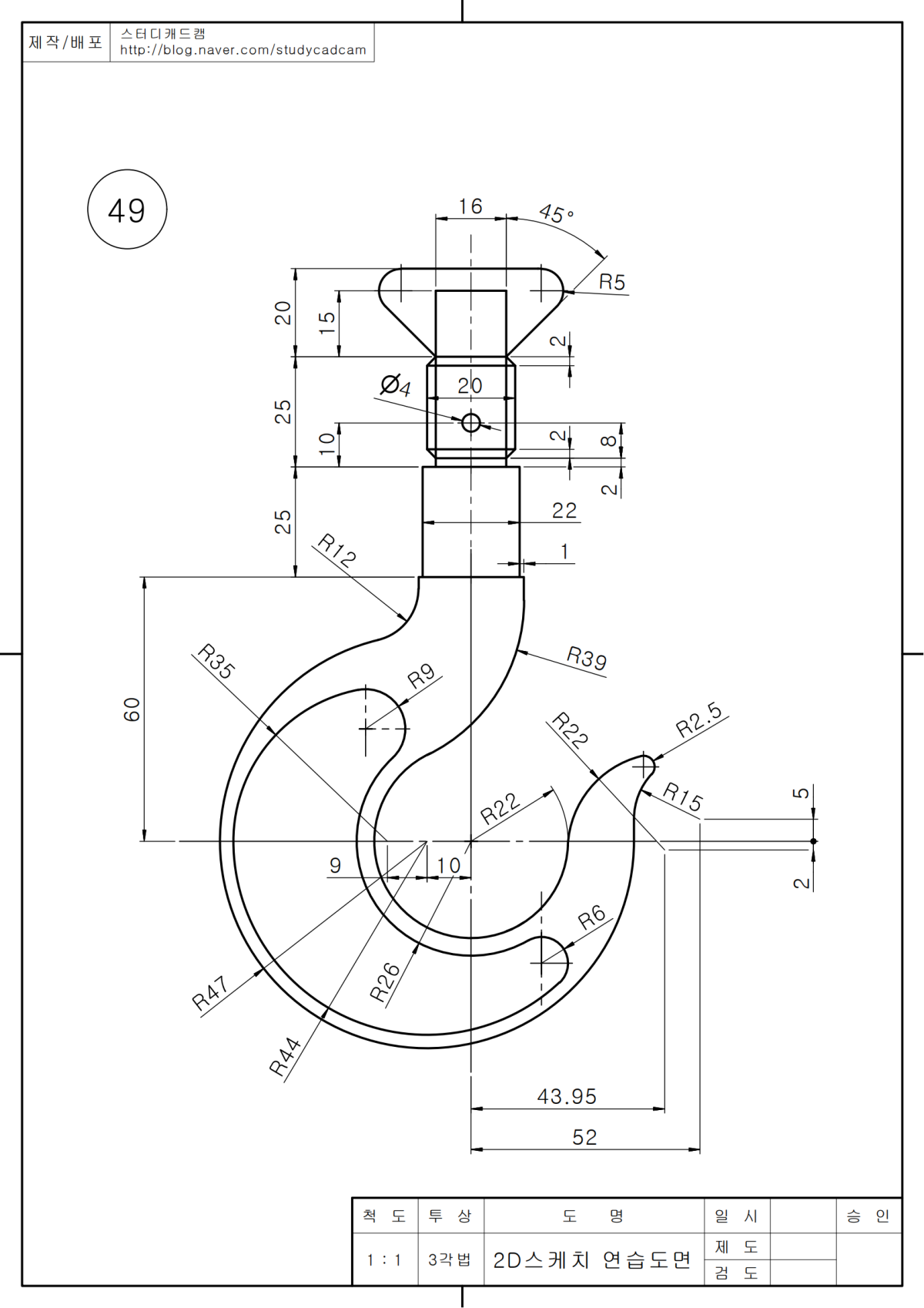
49

50