返回首页

Studycadcam-2D   31-40

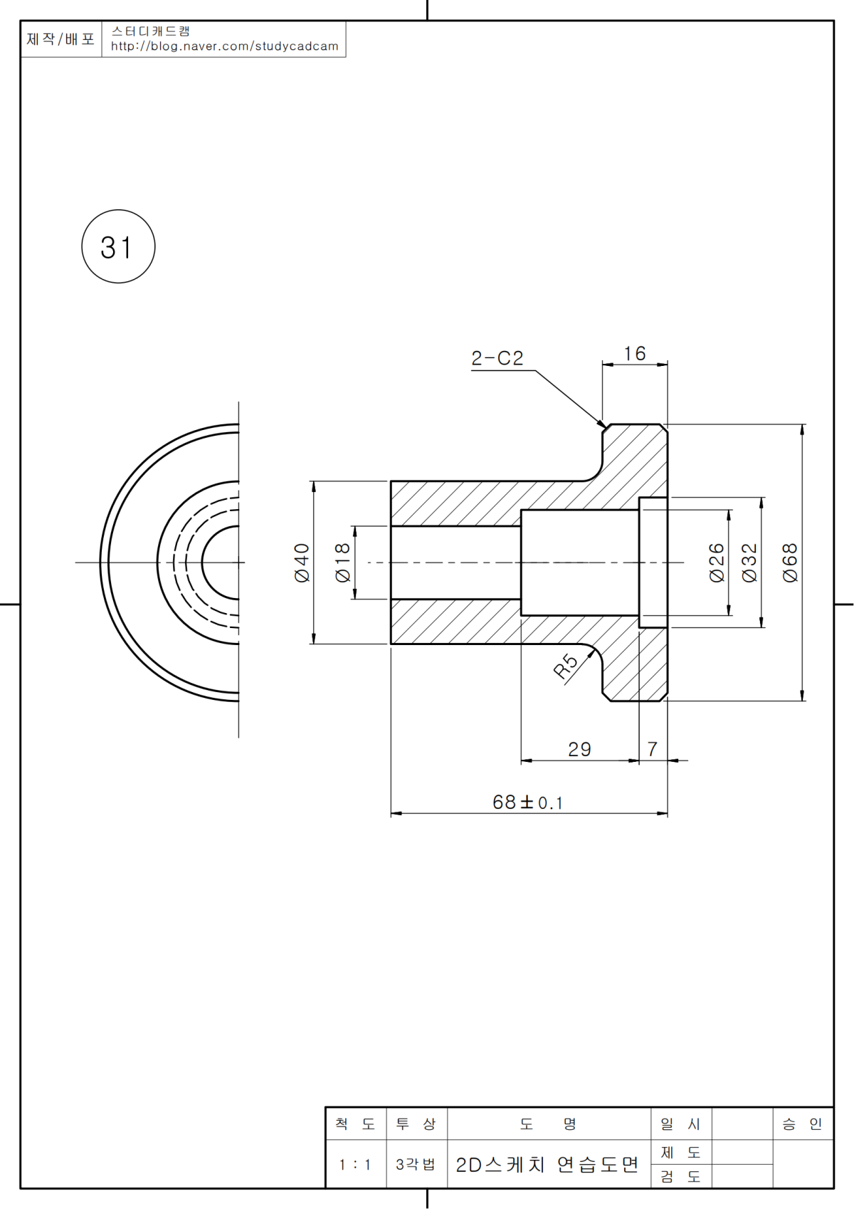
31

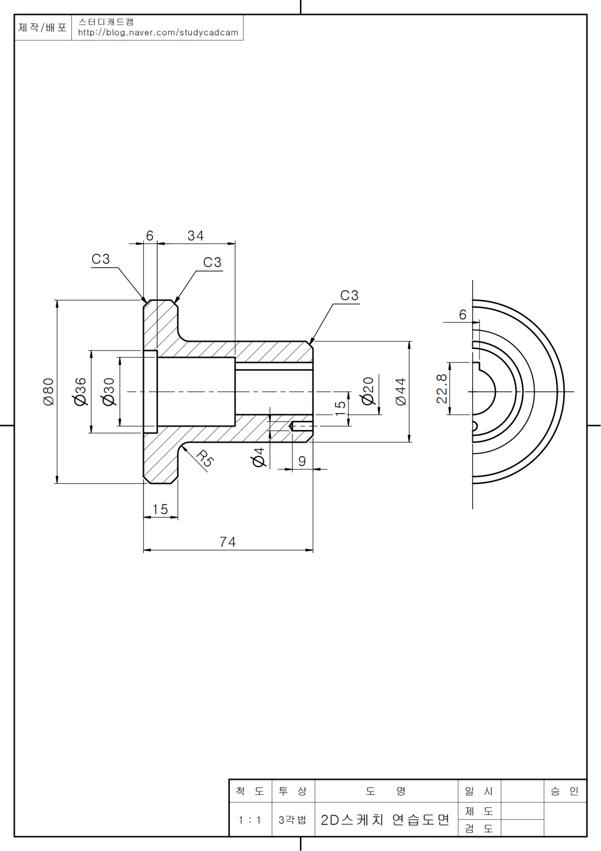
32

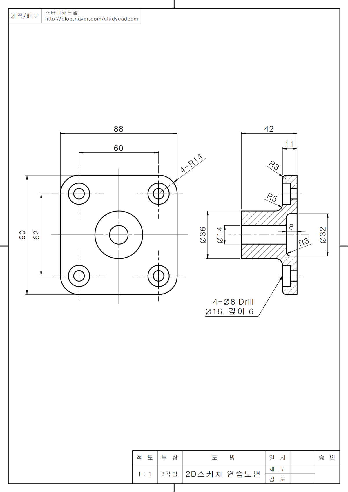
33

34

35

36

37

38

39

40