返回首页

Studycadcam-2D   291-300

291

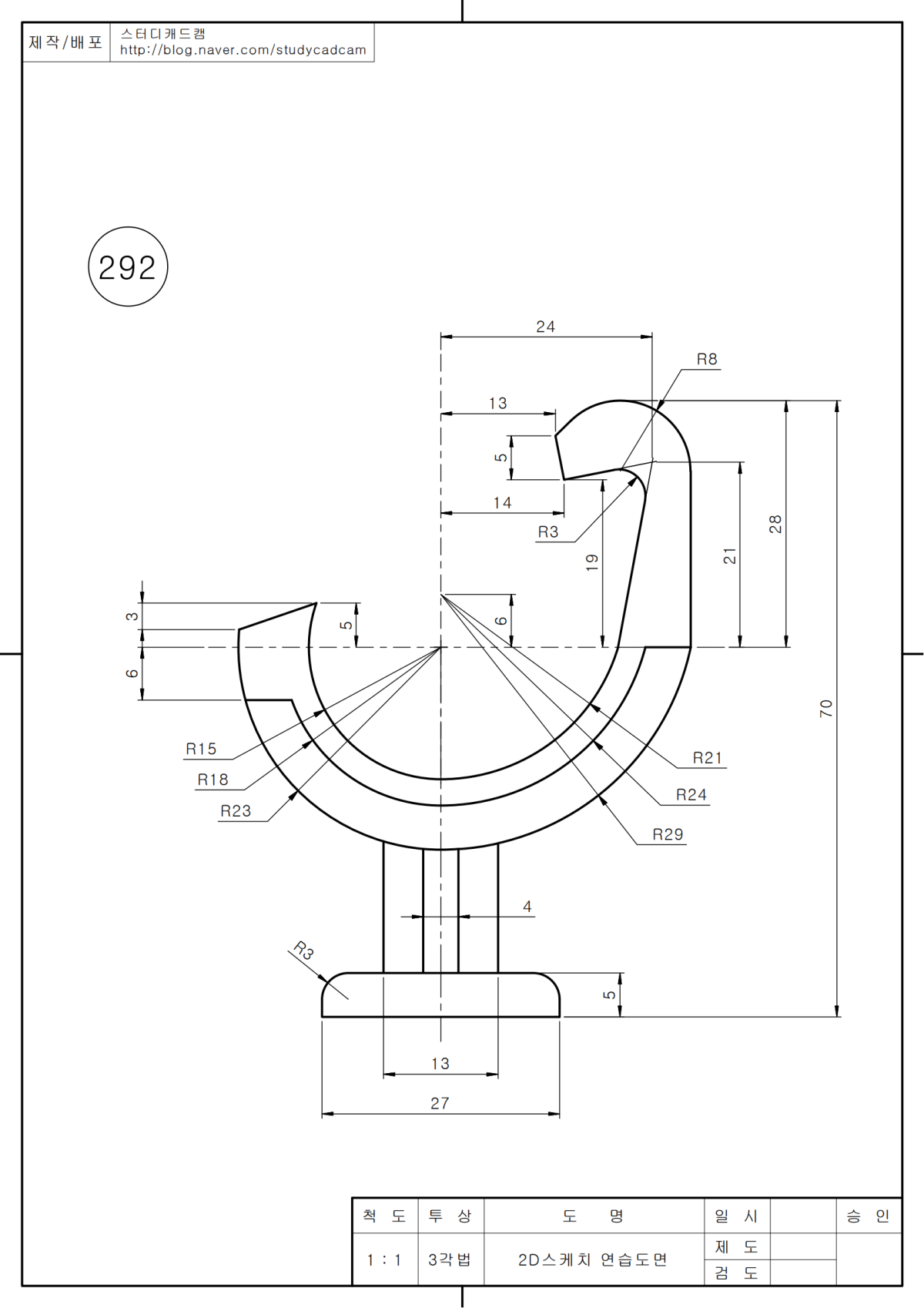
292

293

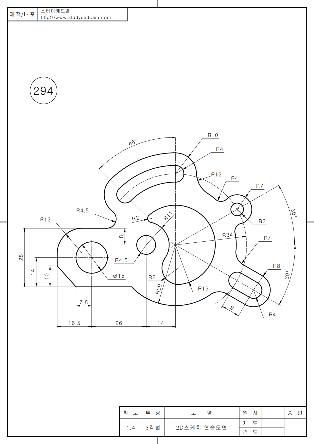
294

295

296

297

298

299

300