返回首页

Studycadcam-2D   231-240

231

232

233

234

235

236

237

238

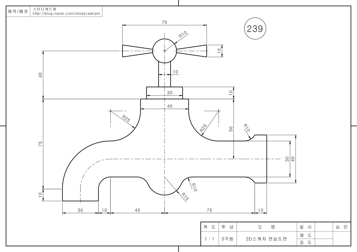
239

240