返回首页

Studycadcam-2D   211-220

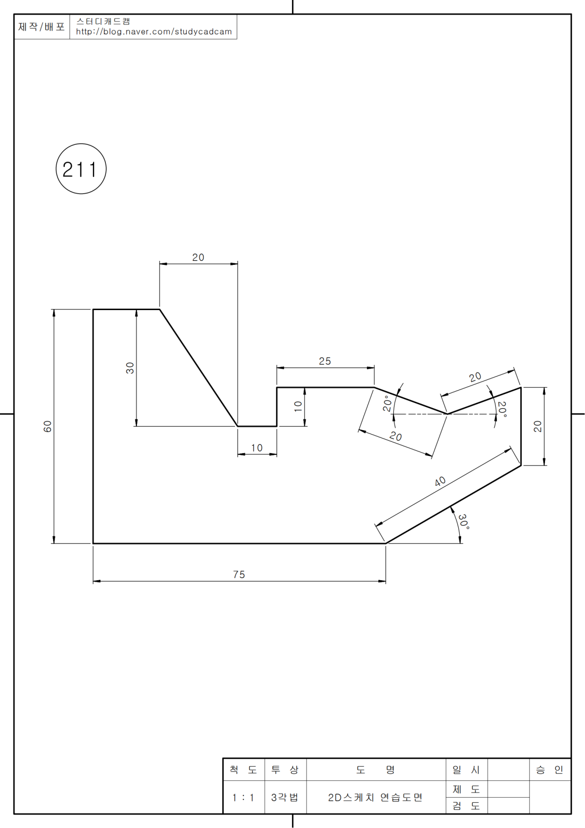
211

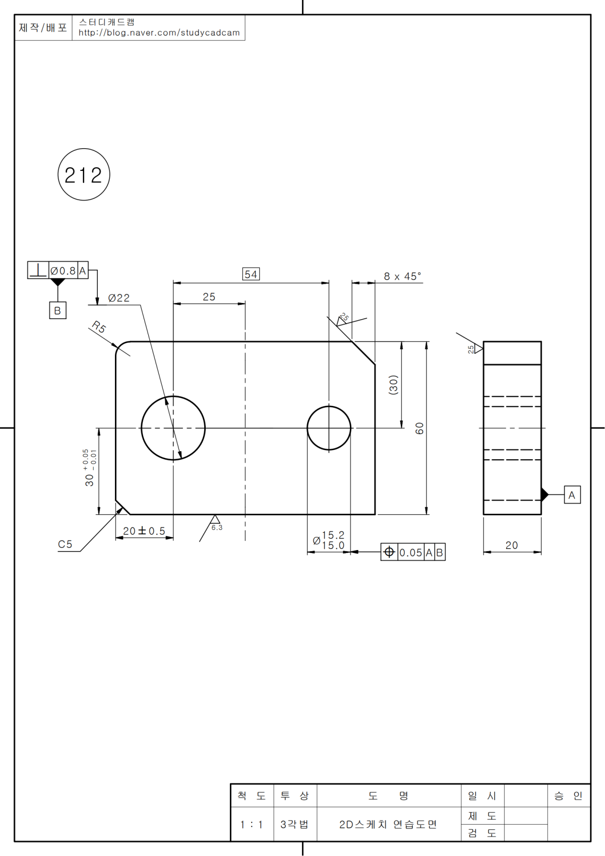
212

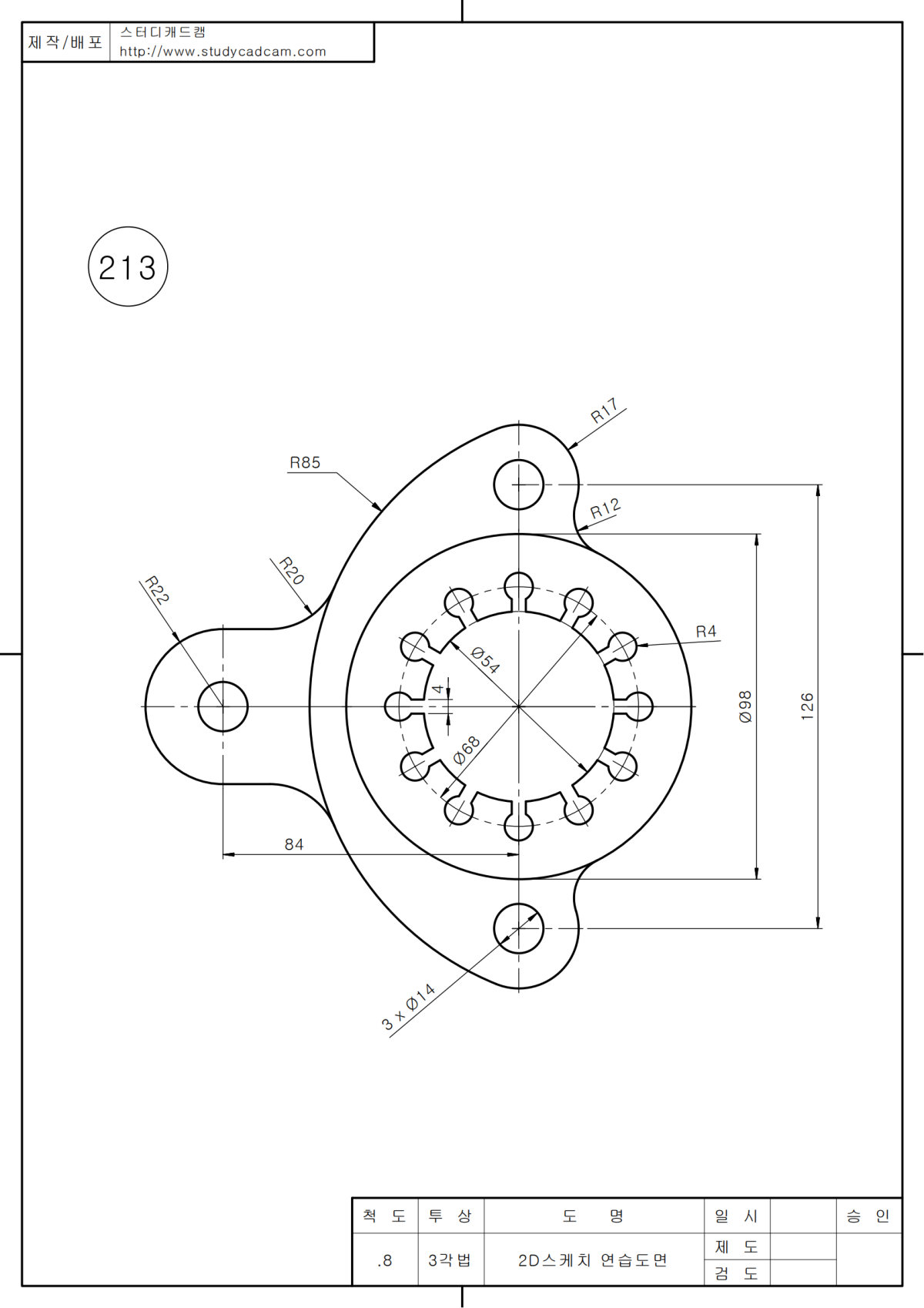
213

214

215

216

217

218

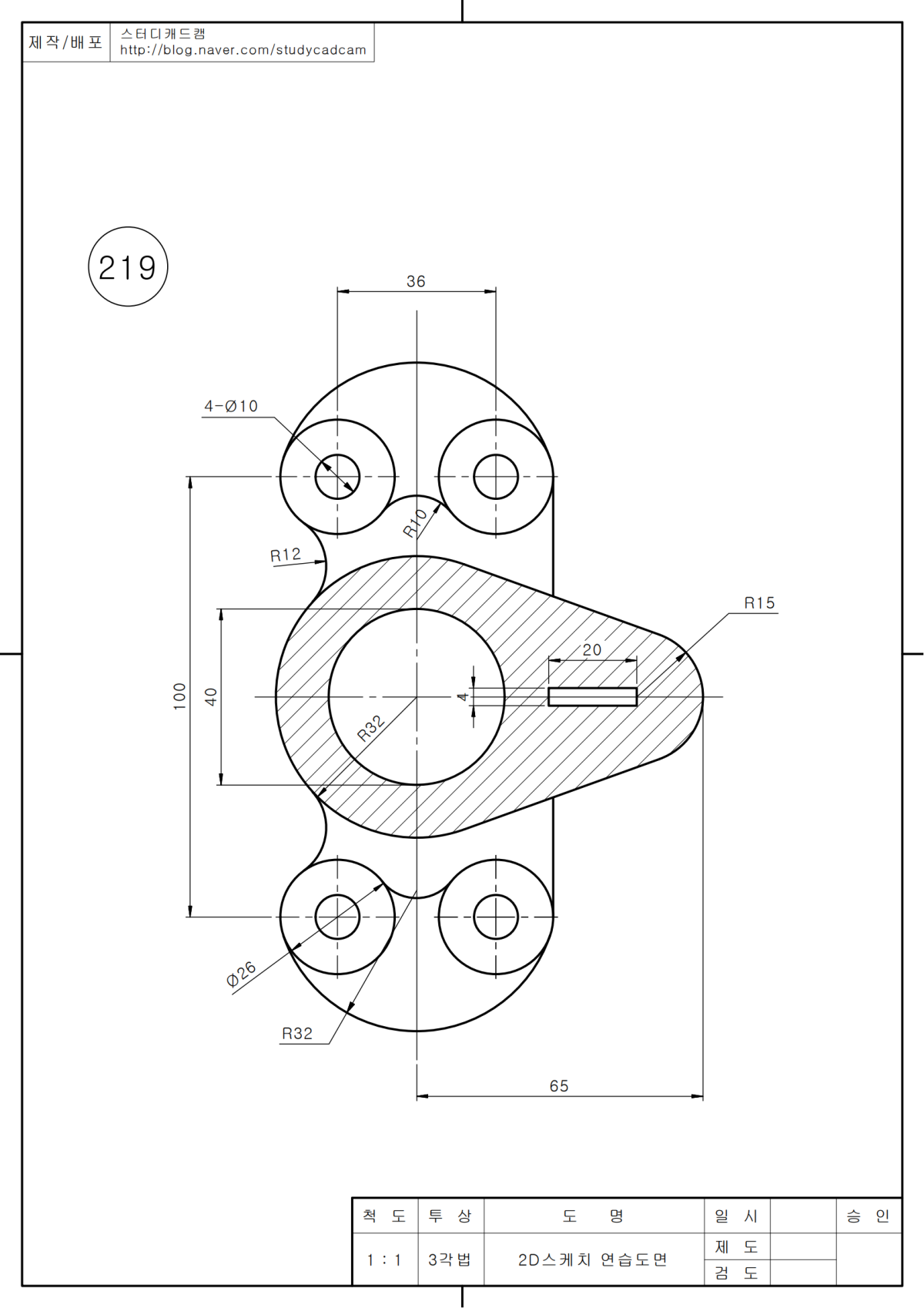
219

220