返回首页

Studycadcam-2D   171-180

171

172

173

174

175

176

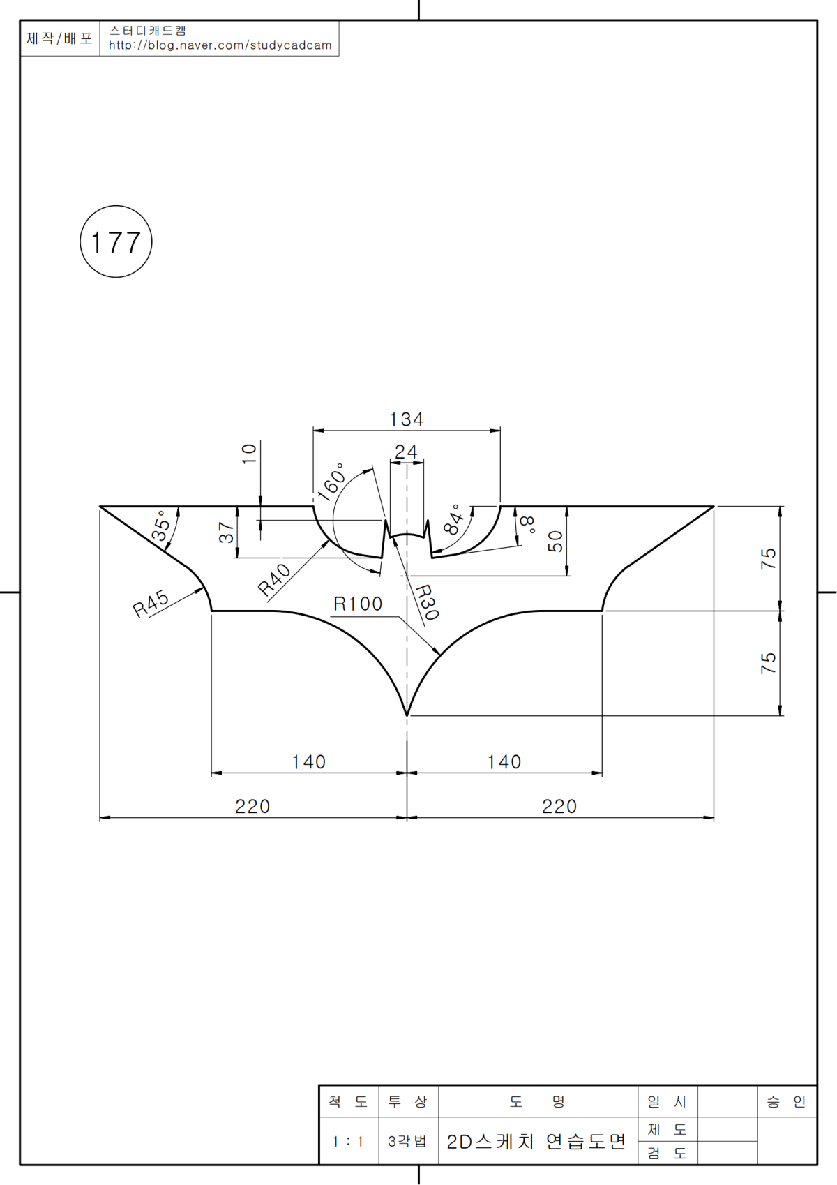
177

178

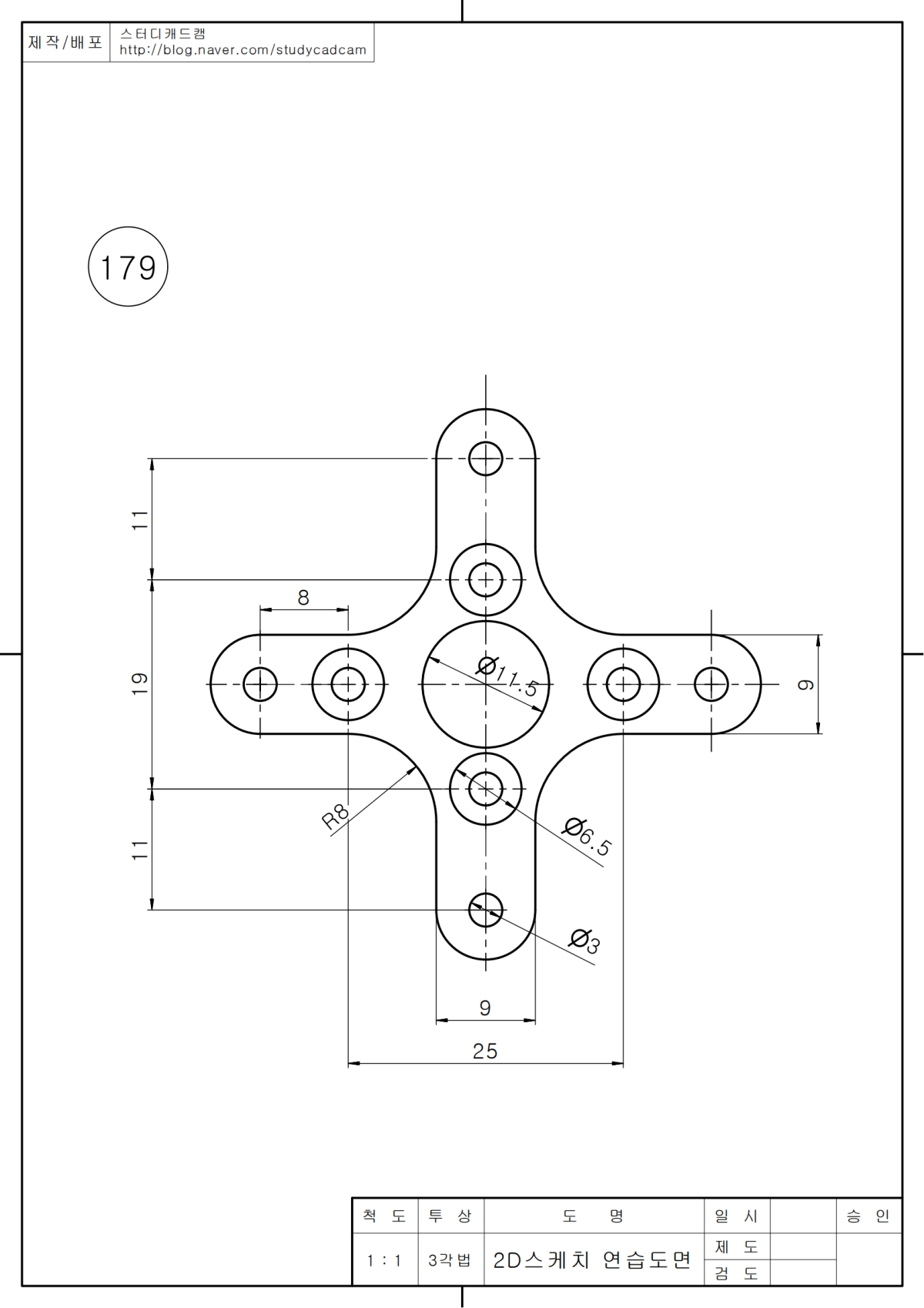
179

180