返回首页

Studycadcam-2D   161-170

161

162

163

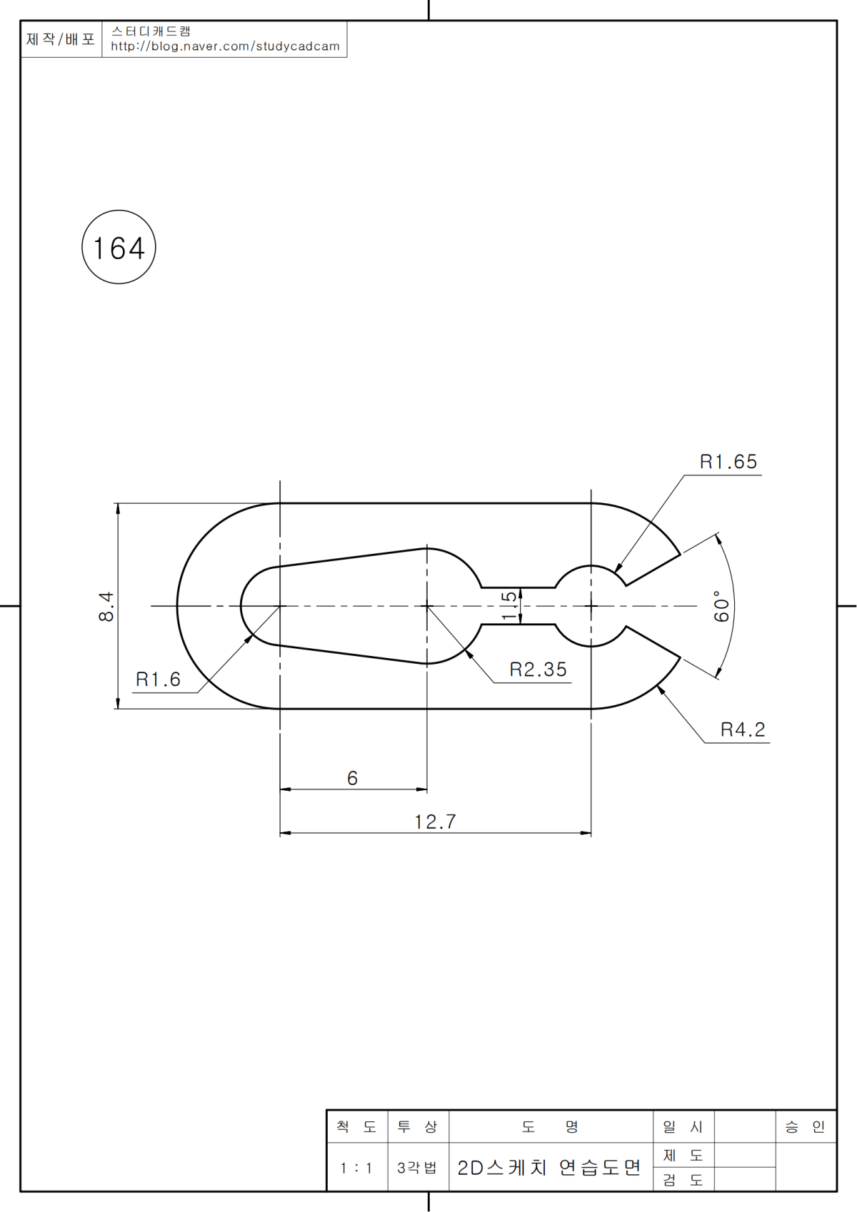
164

165

166

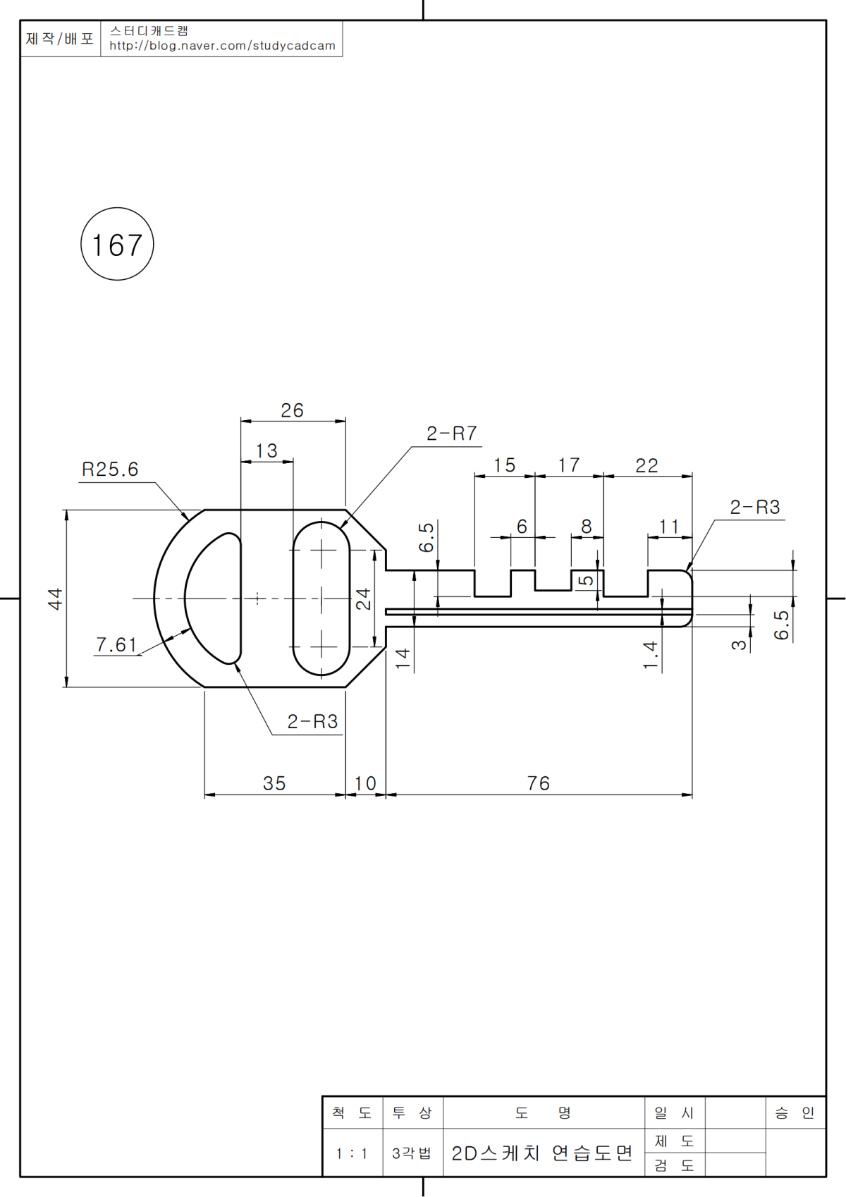
167

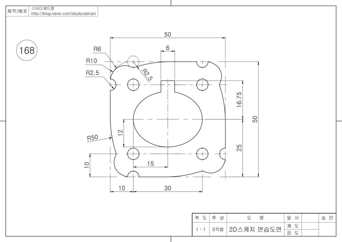
168

169

170