返回首页

Studycadcam-2D   151-160

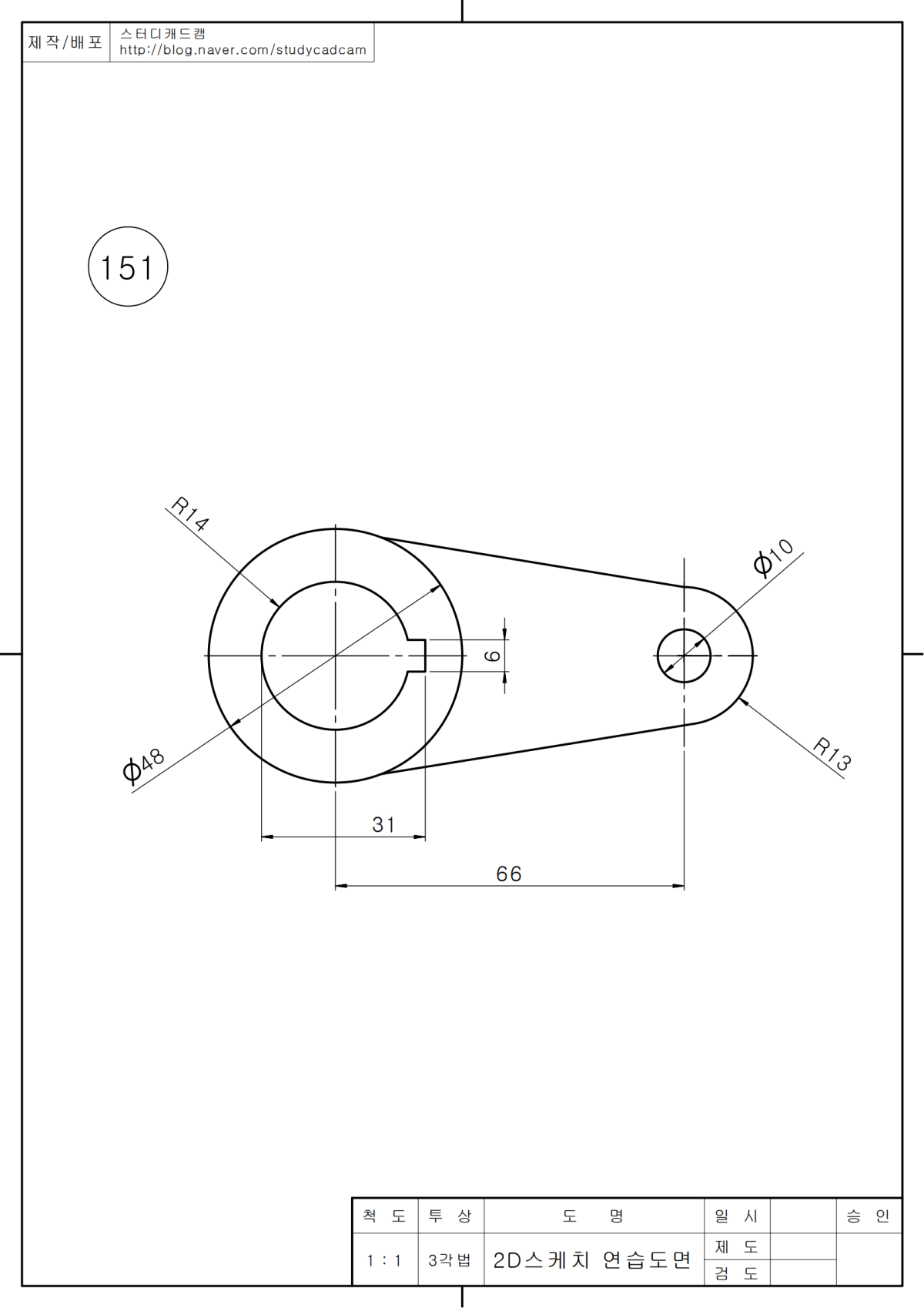
151

152

153

154

155

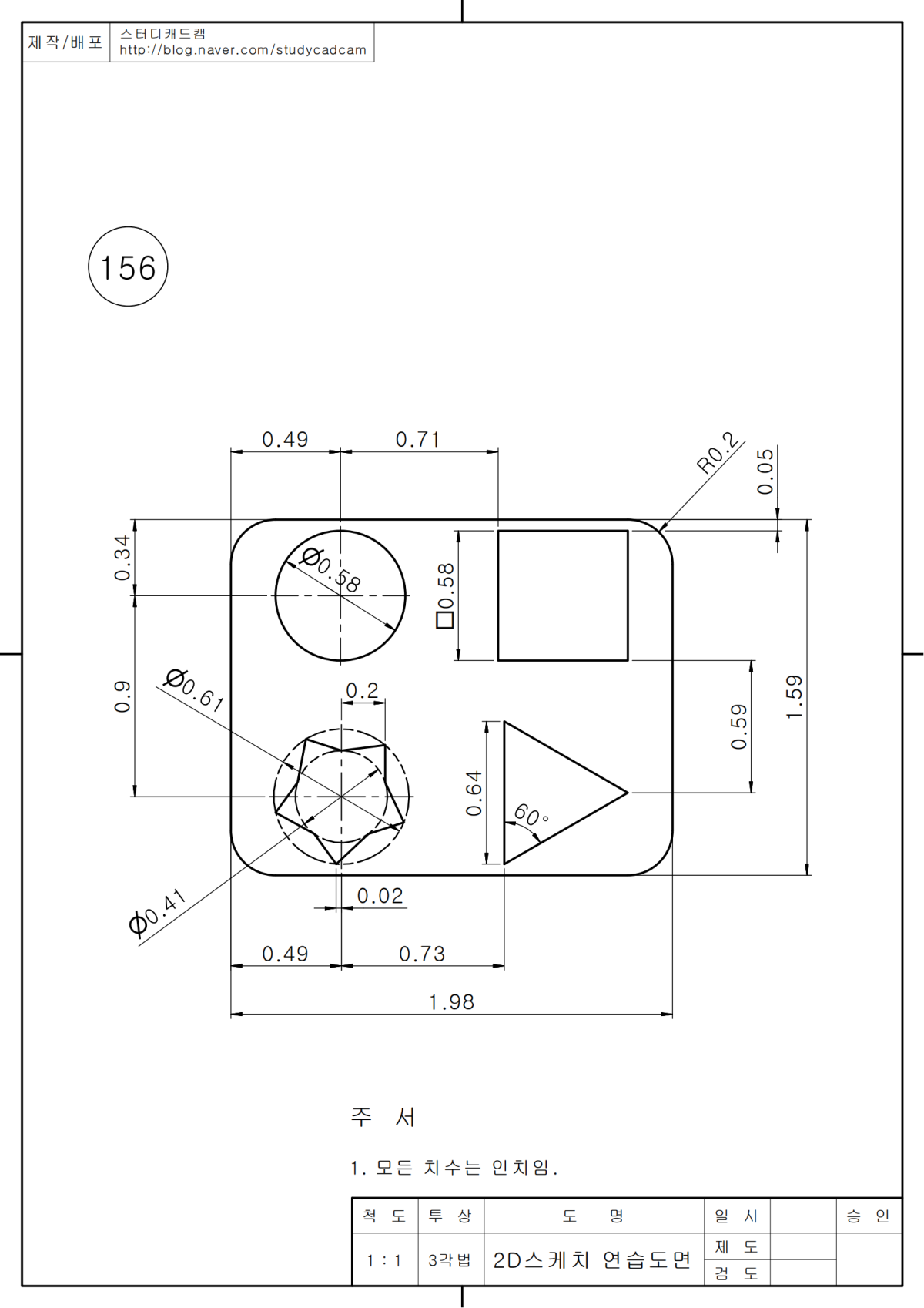
156

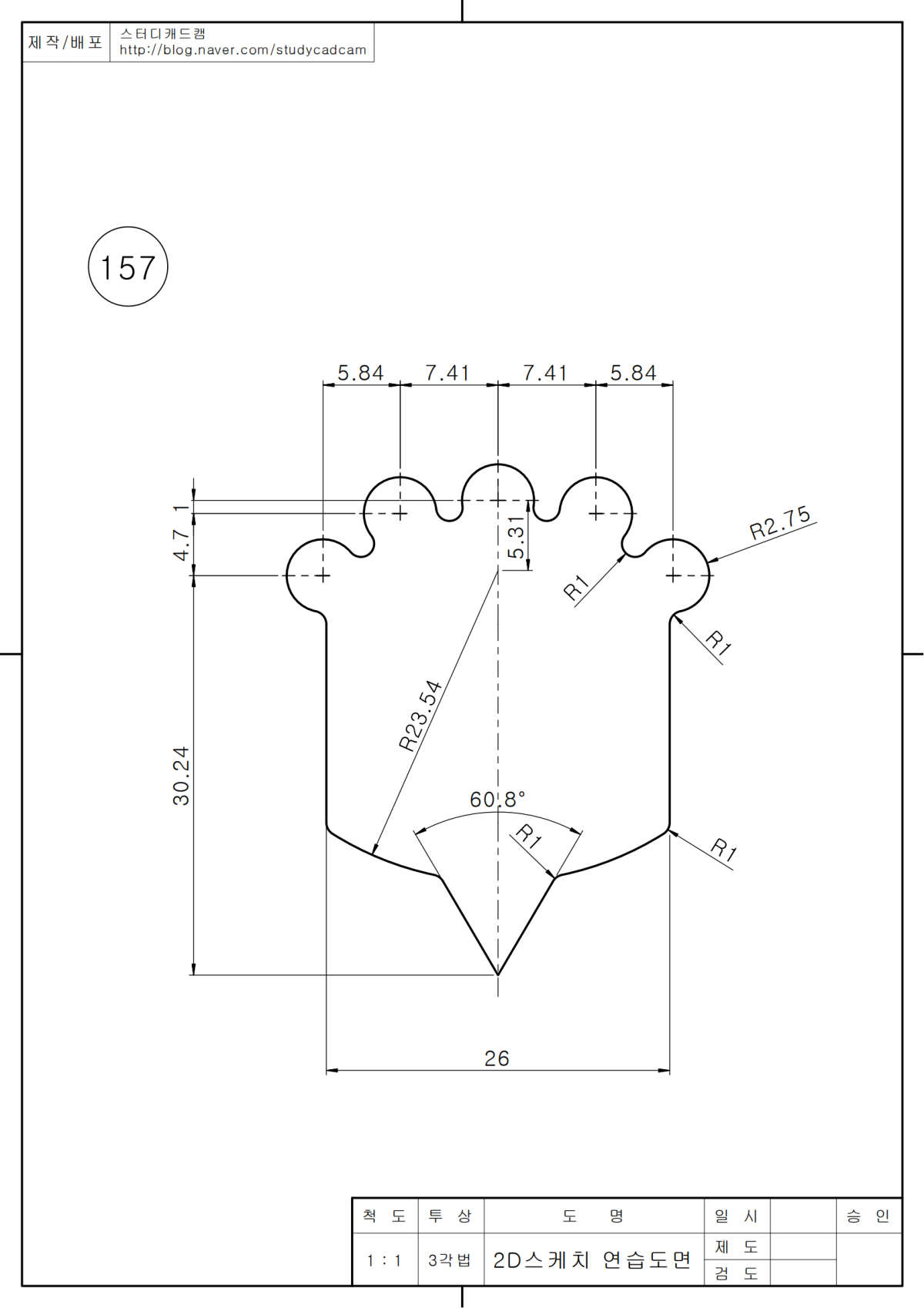
157

158

159

160