返回首页

Studycadcam-2D   131-140

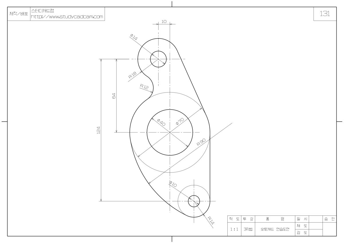
131

132

133

134

135

136

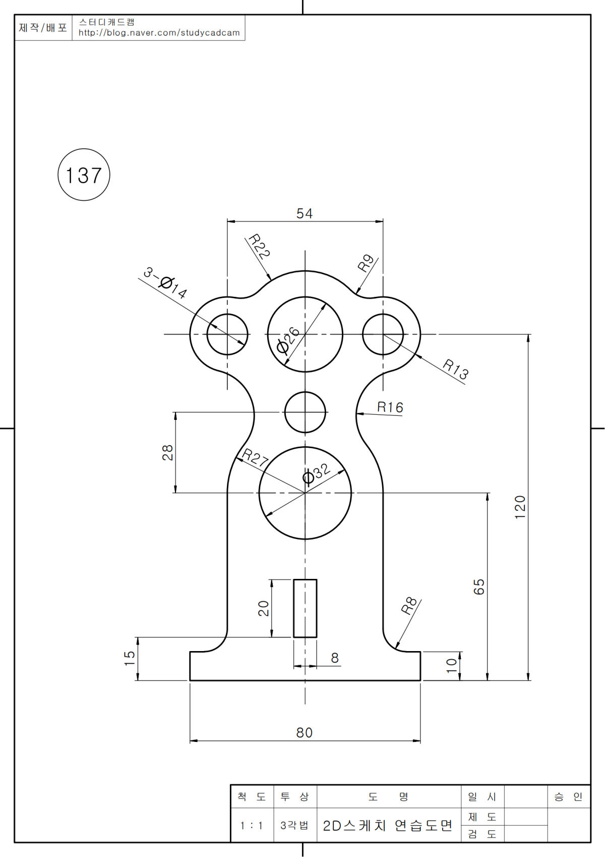
137

138

139

140