返回首页

Studycadcam-2D   121-130

121

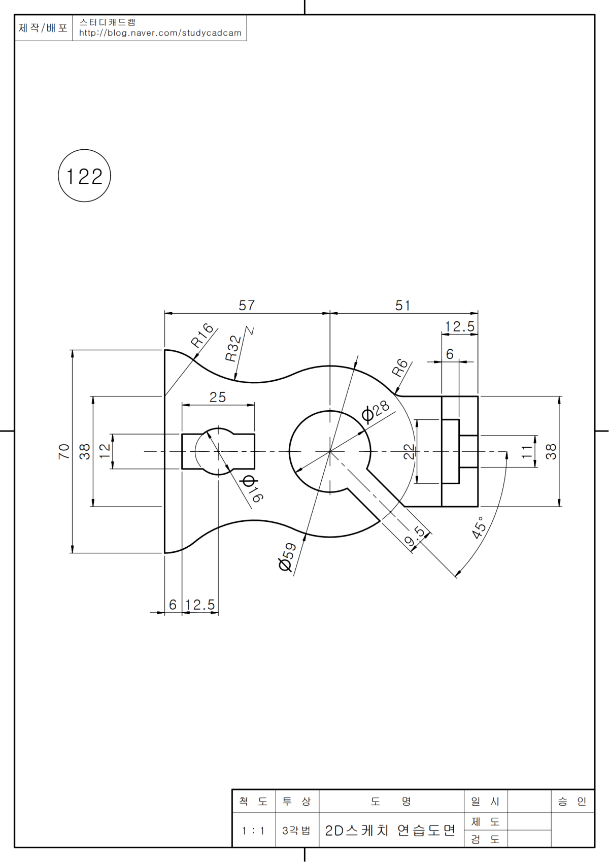
122

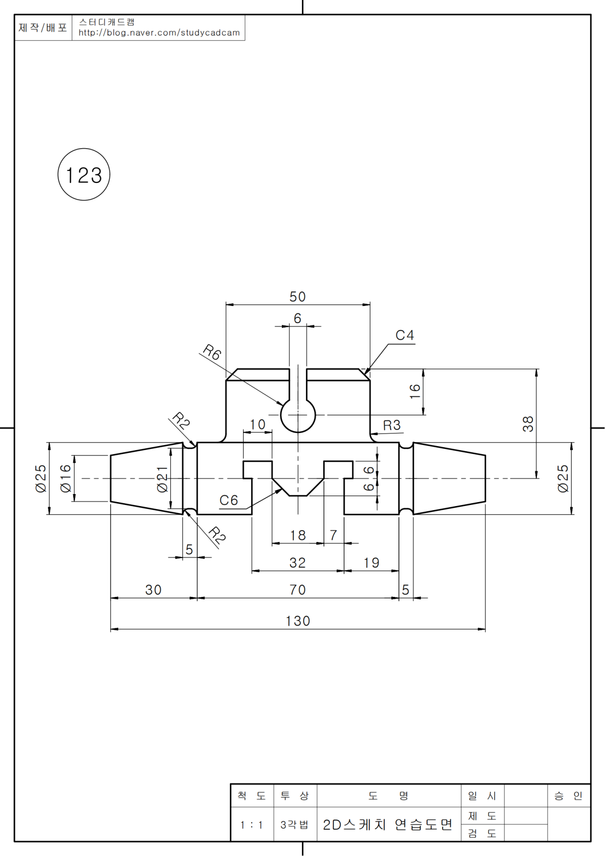
123

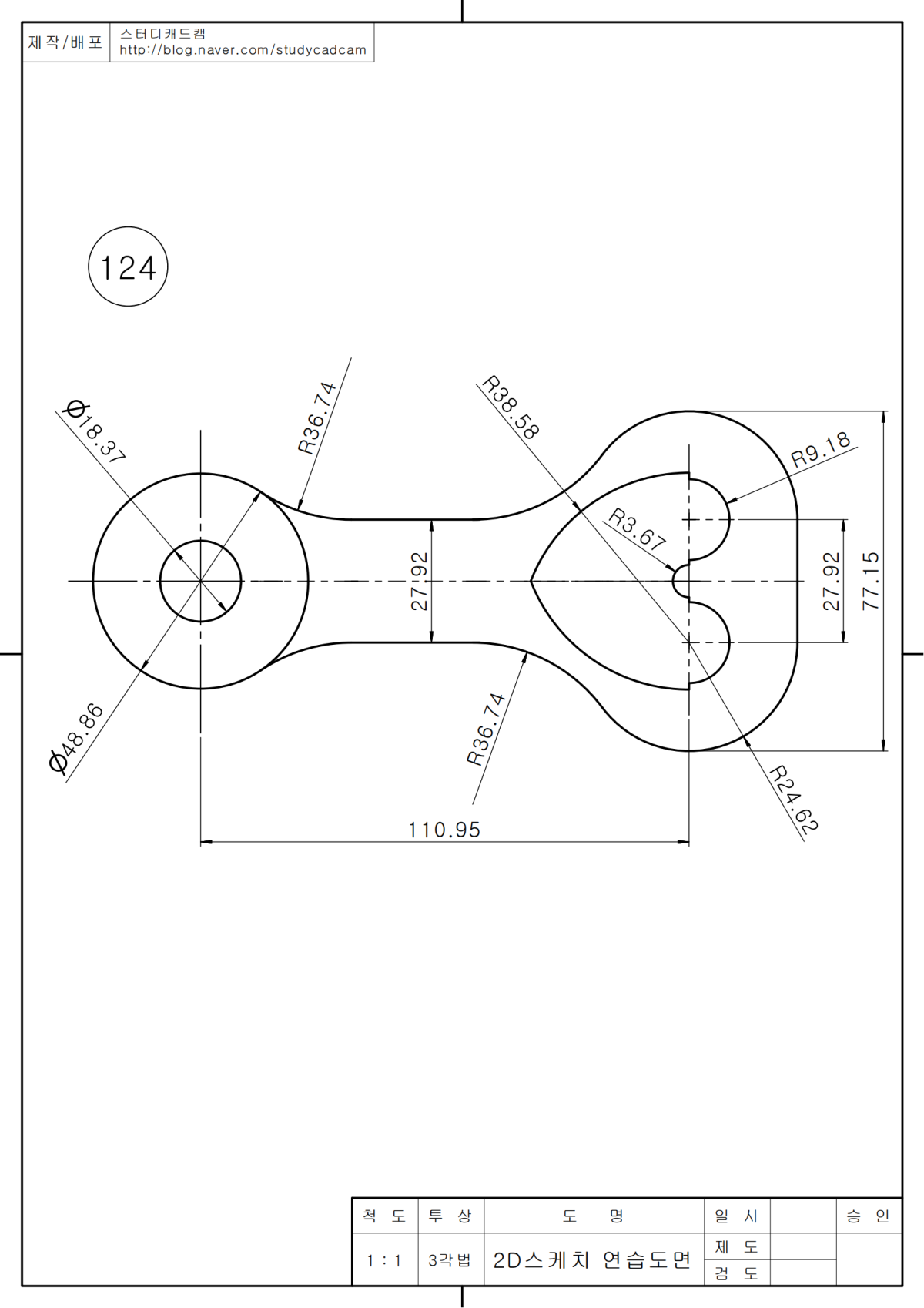
124

125

126

127

128

129

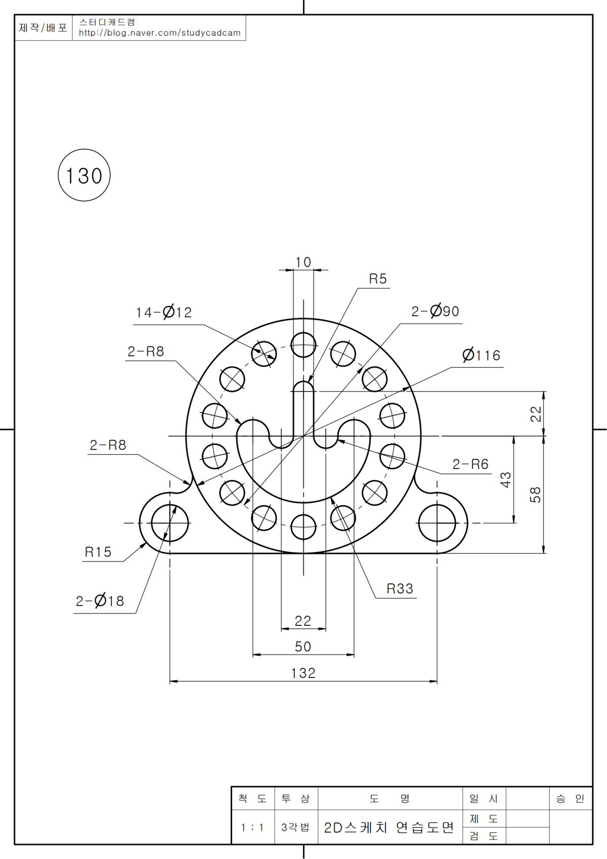
130