返回首页

Studycadcam-2D   11-20

11

12

13

14

15

16

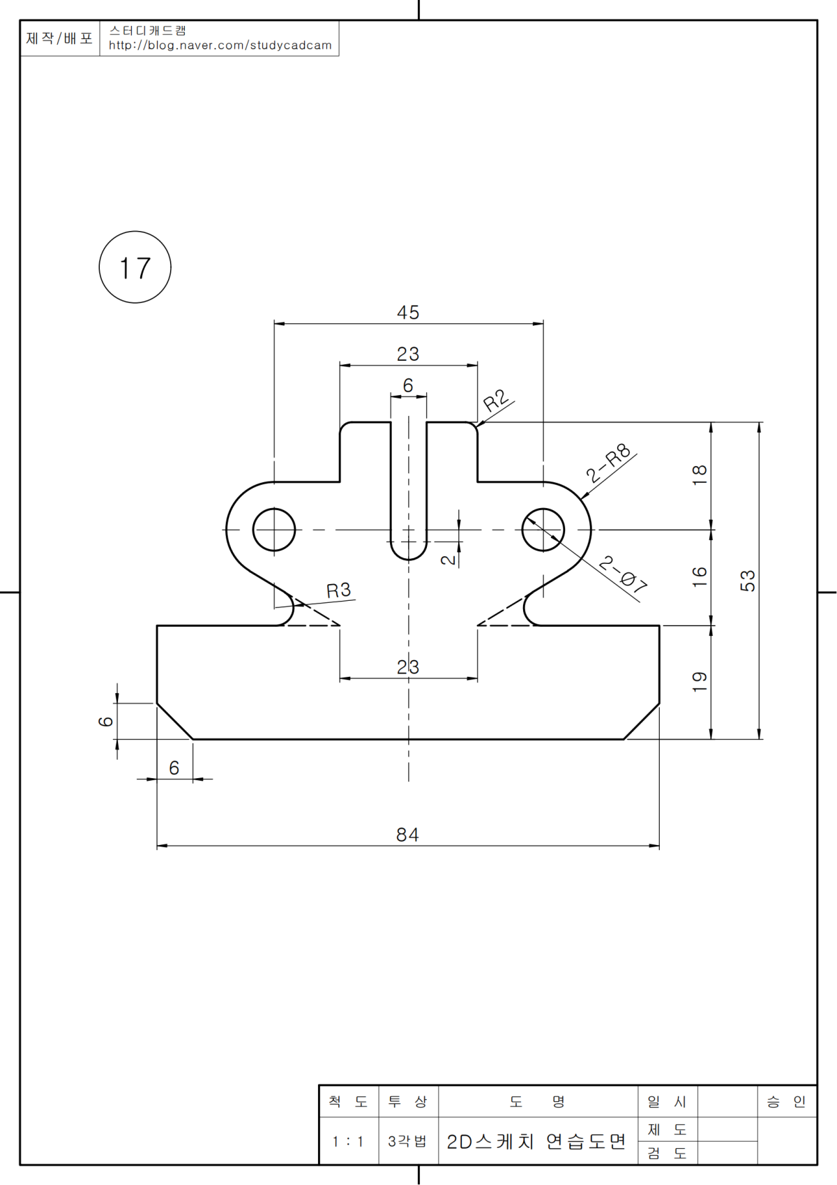
17

18

19

20